19821311892 13386202197


产品热线:
19821311892
配伍性试验块
CSI-Z595
上海程斯
产品介绍
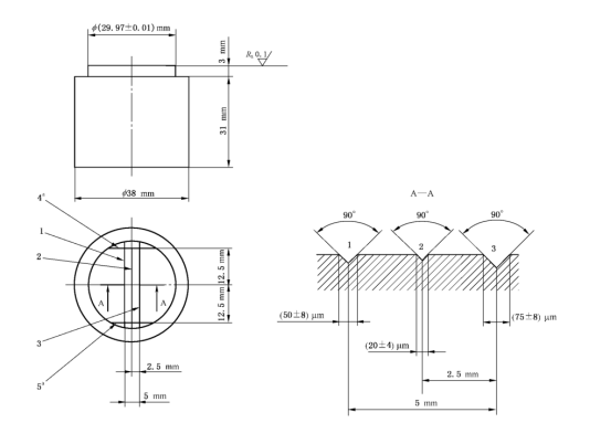
CSI-Z595配伍性试验块、细节再现和与石膏的配伍性试验块
执行标准:
YY/T 0493-2022--图 A.12 细节再现和与石膏的配伍性试验块--配伍性试验块
模具用途:
验证印模材料在接触石膏时是否会发生不良反应或表面缺陷,从而影响模型精度。

技术参数:
材质:不锈钢
计时器:0-999/s(自行设置)精度±1/s
选配:声清洗,机恒温水浴,烘箱,显微镜

配置清单
模具一套
合格证一份
铭牌一份

厂家直发 技术支持
购物保障 终生维护
一年内出现质量问题免费维修
客服微信二维码
版权所有 © 上海程斯智能科技 沪ICP备19009154号-13