19821311892 13386202197

产品热线:
19821311892
细节再现器具-试样块划线面
CSI-Z589
上海程斯
产品介绍
CSI-Z589 细节再现工装、细节再现器具、划线试验块
符合标准:
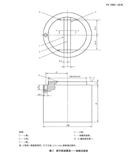
YY/T 0462-2018,7.7细节再现
介绍:
试验块:带如图6和图7中示的划线,由硬化不锈钢材质(400VHN)制成。
环形模具:如图8示。按GB/T131-2006,表面粗糙度为N5(Ra=0.4μm).
开口模具:如图9示。按GB/T131-2006,表面粗糙度为N5(Ra=0.4μm).





厂家直发 技术支持
购物保障 终生维护
一年内出现质量问题免费维修
客服微信二维码
版权所有 © 上海程斯智能科技 沪ICP备19009154号-13