19821311892 13386202197

产品热线:
19821311892
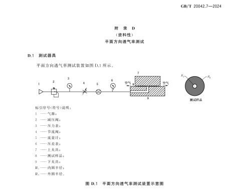
燃料电池碳纸透气率测定仪/碳纸层材料透气性测试仪--平面方向
CSI-F881
上海程斯
产品介绍
燃料电池碳纸透气率测定仪/碳纸层材料透气性测试仪--平面方向
执行标准
GB20042.7-2024附录D
技术参数
控制系统:PLC;
操作界面:彩色7寸触摸屏,中英文切换;
夹具:1套(上下);
试样夹具尺寸:内尺寸40*40mm方孔;
压力传感器:0-1000pa,精度0.5%
压差传感器 :0-1000pa,精度0.25%;
流量计:0-50L/min,精度2.5%;
打印机:嵌入式微型打印机1套
气源要求:0-0.4mpa客户自备;
用电要求:220V50HZ;
外形尺寸:560*450*560mm;
配置清单
说明书1份;
操作视频1份;
电源线1根;
铭牌1块;
合格证1份;
宣传册1份;
第三方计量报告1份;
气管8mm若干

厂家直发 技术支持
购物保障 终生维护
一年内出现质量问题免费维修
客服微信二维码
版权所有 © 上海程斯智能科技 沪ICP备19009154号-13