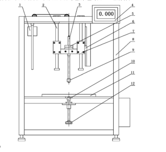
警用防刺服防刺层厚度试验仪
执行标准:
GA 68-2024,附录A
技术参数:
由主体框架、导向机构、砝码、上探测压头、下探测压头及显示屏等组成。
控制系统:PLC
操作界面:彩色7寸触摸屏,中英文界面切换
主体框架采用金属材料制作;
测试方法:全自动升降,全自动测量,全自动得测试结果;
上、下探测压头:材料:不锈钢 直径φ10mm±0.1 mm,平行度为±0.05 mm,同轴度为±0.1mm,最大量程为200mm,精度为 0.1 mm。
砝码配重为 100g±1g
嵌入式打印机
USB接口
电源:220V 50HZ
基本配置:
主机一台,电源线一根,说明书/合格证/保修卡/铭牌一套


